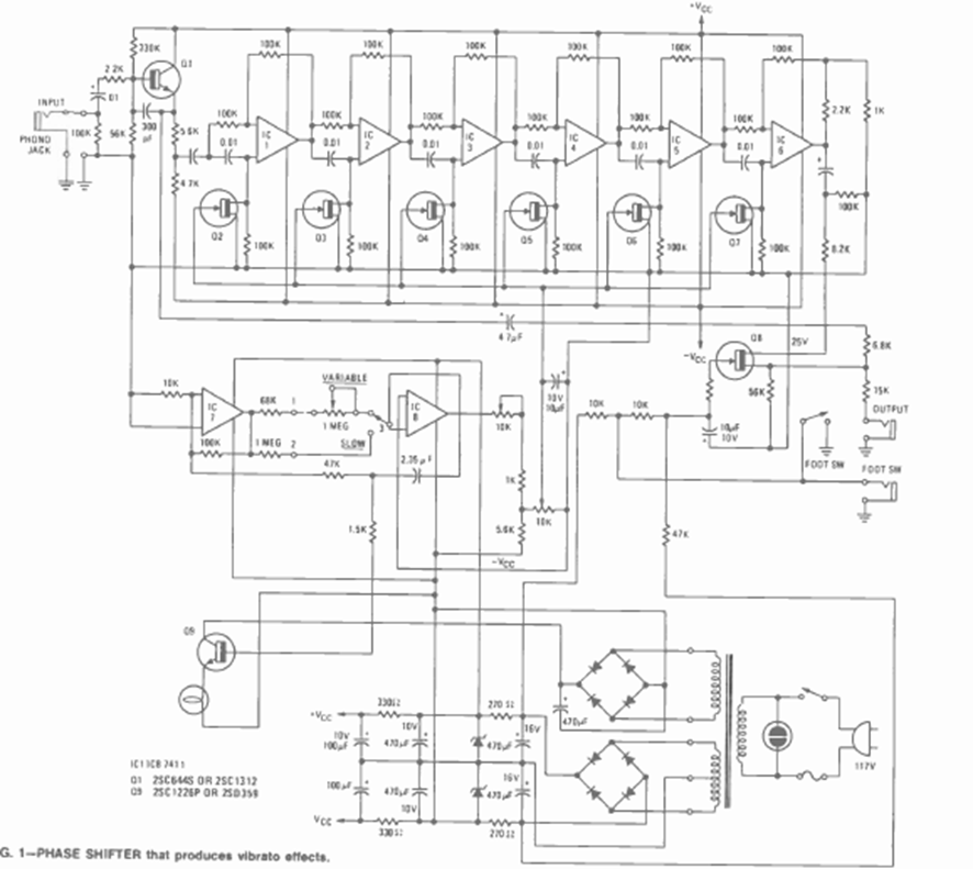
The purpose of this circuit found in the September 1977 issue of Radio Electronics magazine is to produce the vibrato effect. It is a phase shift circuit working with common operating systems.
This circuit was obtained from an old American documentation having a limited adjustment range....
The movement of the LEDs in this circuit mimics the back-and-forth movement of a pendulum, making it...
This circuit is from a 1967 documentation. It makes use of varicap and diode tunnel in addition to...