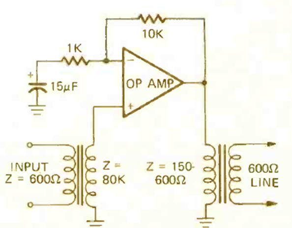
This circuit couples 600-ohm signals to a line of the same impedance consisting of an amplifier stage. The circuit with an operational amplifier of the time can be implemented with other operational amplifiers. We found it in a Radio Electronics from December 1972.




