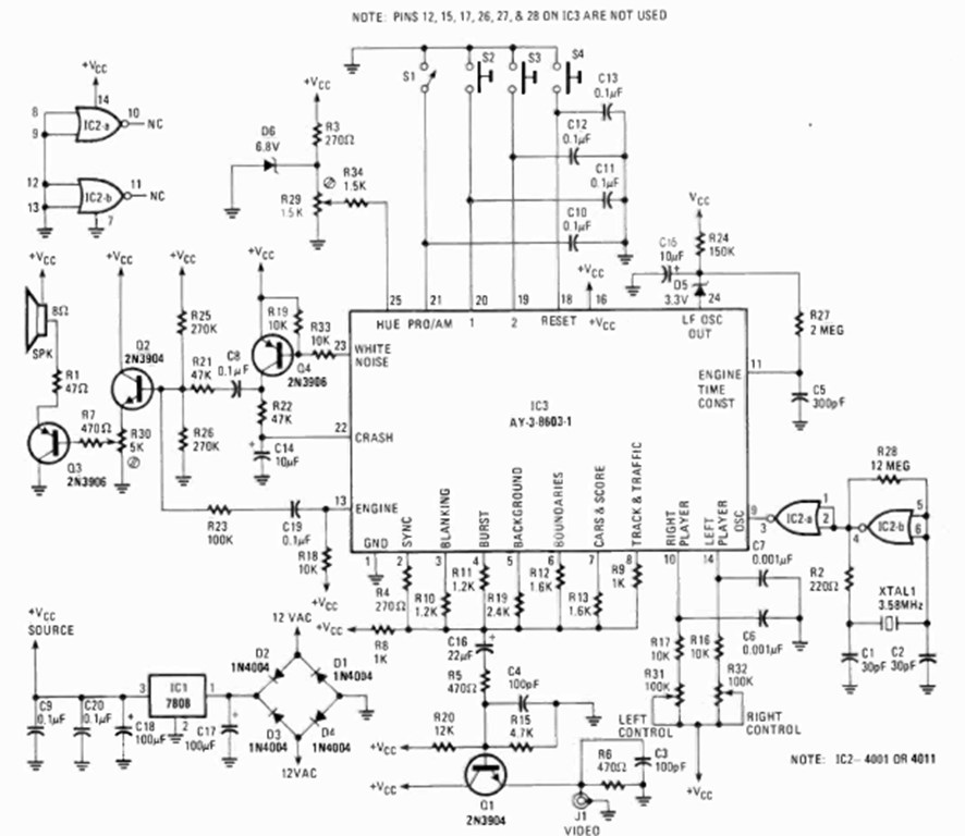
This is the traditional circuit from the 1980 racing video game with the AY3-6603-1 that we also published at the time in our magazines. This circuit is from the Radio Electronics magazine of August 1980.
The transistors of this circuit may be general purpose and the power supply comes from the TTL...
We found this circuit with the CMOS4046 in the August 1994 Electronics Now magazine. The circuit is...
This setting appears with variations at various points on this site. This is from a Motorola...