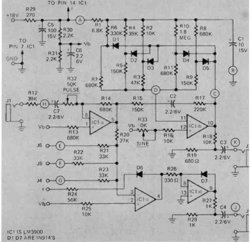
This circuit for music effects and synthesizers was found in a Radio Electronics issue from June 1974. The circuit also consists of a pulse width modulator.
We found this circuit in a 2005 documentation. The circuit allows the automation of a gate through...
Found in an 90s Electronic Design, this circuit provides a 110 dB output to a ceramic transducer....
This circuit activates a relay with a frequency signal determined by the adjustment components. The...