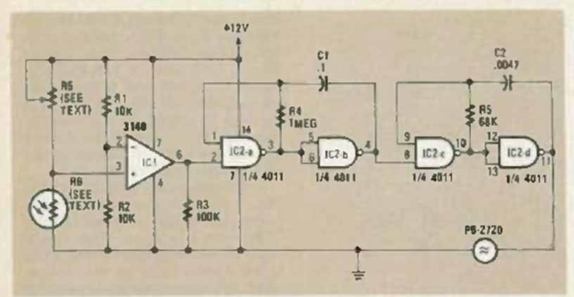
Based on the CA3140 IC, this circuit was found in the June 1986 issue of Radio Electronics. Sensitivity adjustment is made using a trimpot in series with the sensor.
This circuit, from the 90's, is intended for operation with vinyl record players of the time, as...
This circuit, in fact, what it does is a reactivation of the batteries through a brief pulsating...
This circuit, for signals up to 1 MHz, is based on an RCA operational amplifier. The circuit was...