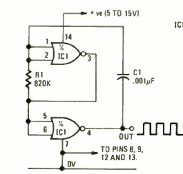
This basic CMOS 4001 circuit was found in the April 1976 issue of Radio Electronics magazine. The circuit generates rectangular signals, and the components can be changed to obtain other frequencies.
This circuit, from the 90's, is intended for operation with vinyl record players of the time, as...
This circuit, in fact, what it does is a reactivation of the batteries through a brief pulsating...
This circuit, for signals up to 1 MHz, is based on an RCA operational amplifier. The circuit was...