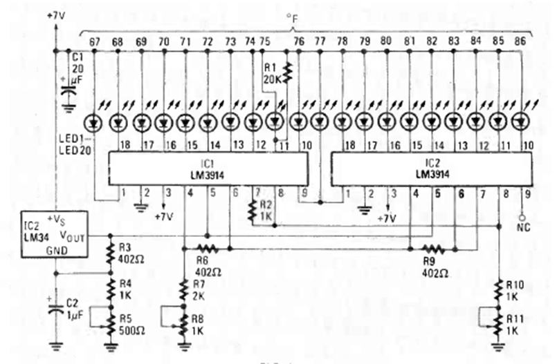
This bargraph circuit was found in the January 1986 issue of Radio Electronics magazine. It is based on the well-known LM3914 and has two of them in cascade driving a good number of LEDs.
This circuit, from the 90's, is intended for operation with vinyl record players of the time, as...
This circuit, in fact, what it does is a reactivation of the batteries through a brief pulsating...
This circuit, for signals up to 1 MHz, is based on an RCA operational amplifier. The circuit was...