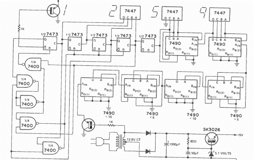
This is a typical 3 ½ digit TTL counter. We found it in the September 1973 issue of Radio Electronics magazine. The circuit is to be powered by 5 V. It can be expanded to more digits.
This circuit, from the 90's, is intended for operation with vinyl record players of the time, as...
This circuit, in fact, what it does is a reactivation of the batteries through a brief pulsating...
This circuit, for signals up to 1 MHz, is based on an RCA operational amplifier. The circuit was...