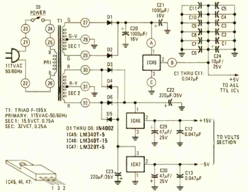
We found this circuit in the April 1979 Radio Electronics magazine. Note the filter capacitor bank that can now be replaced by a single equivalent value capacitor.
This circuit, from the 90's, is intended for operation with vinyl record players of the time, as...
This circuit, in fact, what it does is a reactivation of the batteries through a brief pulsating...
This circuit, for signals up to 1 MHz, is based on an RCA operational amplifier. The circuit was...