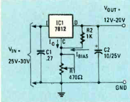
In the figure we have an improved method of varying the voltage of a 7812 regulator. The circuit is from Radio Electronics from July 1984. It can be applied to other regulators.

In the figure we have an improved method of varying the voltage of a 7812 regulator. The circuit is from Radio Electronics from July 1984. It can be applied to other regulators.
