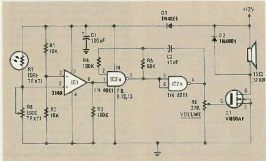
Using the CA3140 integrated circuit, this switch was found in the June 1986 Radio Electronics magazine. Sensitivity adjustment is made at the trimpot in series with the sensor.
This circuit, from the 90's, is intended for operation with vinyl record players of the time, as...
This circuit, in fact, what it does is a reactivation of the batteries through a brief pulsating...
This circuit, for signals up to 1 MHz, is based on an RCA operational amplifier. The circuit was...