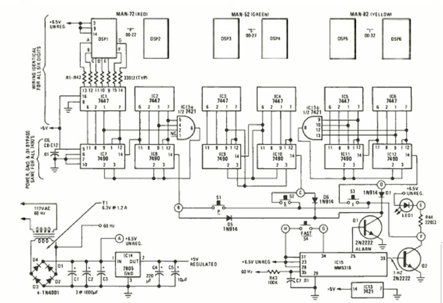
Found in a November 1977 Radio Electronics magazine, this digital circuit was described in an article that taught how to assemble it. The 6-digit circuit is a clock.
This circuit is from an old documentation of Radio Shack from the 70s. The transistor should...
This 1980s circuit was found in Motorola documentation. The circuit uses period components that admit of...
The power supply shown in the figure provides output voltages in the range of 1.2 to 25 V with...