Digitally Controlled Sine Wave Generator (CB24568E)
Details
Written by: Newton C. Braga
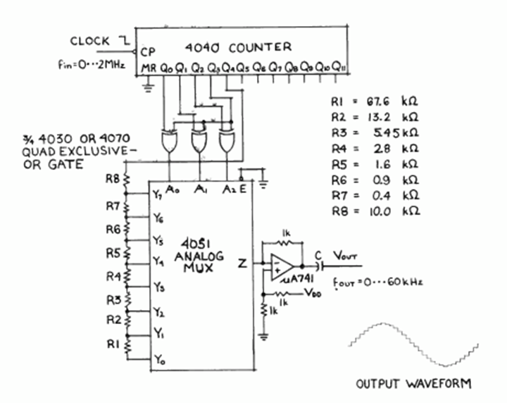
We found this signal generator circuit in the November 1978 issue of Radio Electronics magazine. The circuit uses CMOS circuitry and has a maximum input frequency of 2MHz.