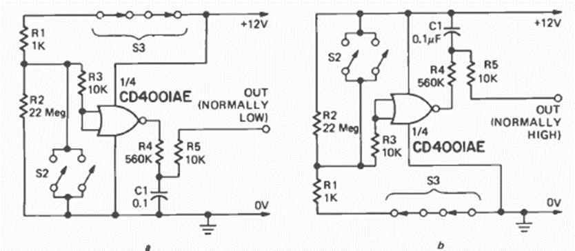
These circuits prevent bouncing in alarm systems. The circuit indicated is for sensors connected in parallel.
Using 4 operational amplifiers this circuit generates 4 different tones. The circuit is from an...
In the figure we have an application of an oscillator 4013 as voltage multiplier. It consists of a...
This Colpitts crystal oscillator was found in an American publication for amateurs in the 1980s....