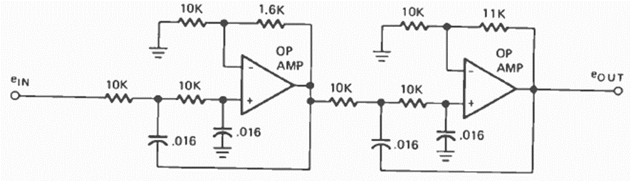
This circuit with 24 dB per octave attenuation was found in the November 1973 Radio Electronics magazine. The components are for 1 kHz but can be recalculated for other frequencies.
This circuit can be used to test zener diodes up to 25 V using a standard multimeter. The voltage...
This circuit was found in a Ferranti documentation from 1969. The transistors are common types of...
We found this circuit in a Popular Electronics from 1992. The circuit shows how to use a variac in a...