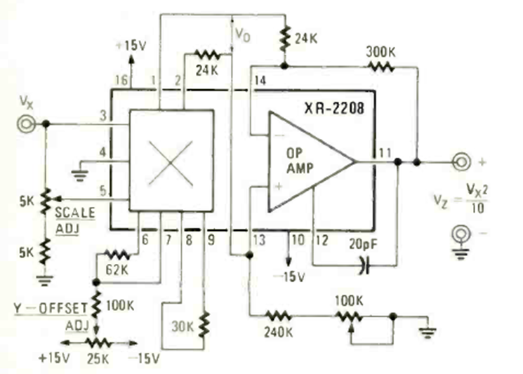
This circuit with the XR2206 IC squares the value of a voltage. The circuit was published in the April 1978 issue of Radio Electronics magazine and should be powered by a symmetrical 15 V source.
This oscillator was found in the November 1986 issue of Radio Electronics magazine. The frequency...
This sophisticated circuit with a low, medium, and high treble filter is from 1990 documentation. The...
This circuit was obtained from a 1998s Popular Electronics. The magazine no longer exists, but the...