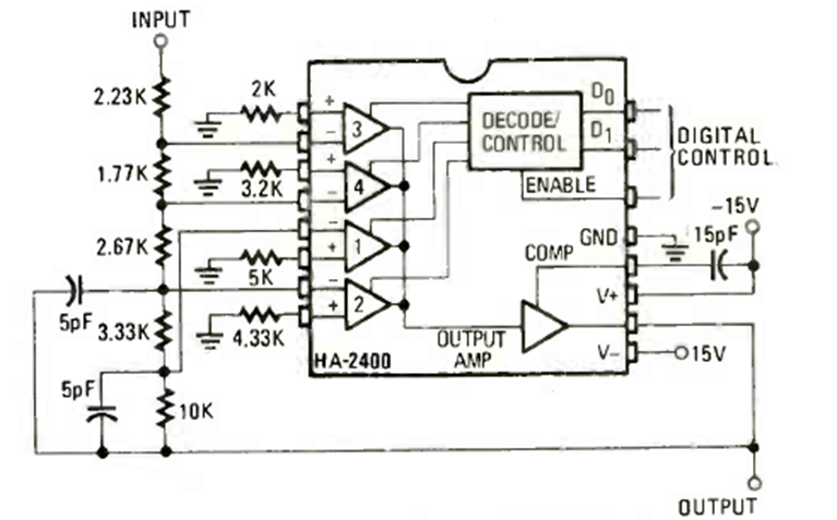
This circuit with the HA2400 was found in the March 1980 Radio Electronics magazine. The circuit has digital-gain control and must be powered by a symmetrical 15 V source.
This oscillator was found in the November 1986 issue of Radio Electronics magazine. The frequency...
This sophisticated circuit with a low, medium, and high treble filter is from 1990 documentation. The...
This circuit was obtained from a 1998s Popular Electronics. The magazine no longer exists, but the...