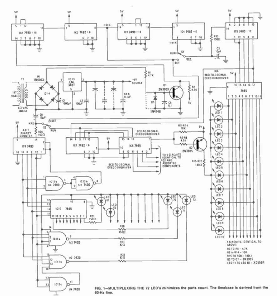
This interesting circuit in which the LED display is circular imitating a common clock appeared in the Radio Electronics magazine of May 1977. The power supply is included.
This oscillator was found in the November 1986 issue of Radio Electronics magazine. The frequency...
This sophisticated circuit with a low, medium, and high treble filter is from 1990 documentation. The...
This circuit was obtained from a 1998s Popular Electronics. The magazine no longer exists, but the...