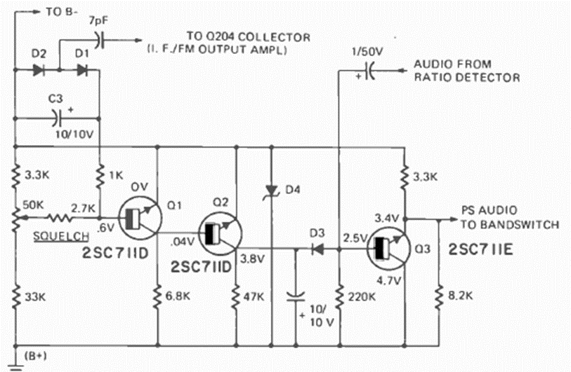
This circuit for communications receivers was found in the January 1974 issue of Radio Electronics magazine. The transistors are Japanese types of the time, as the circuit was part of equipment of that origin.
This oscillator was found in the November 1986 issue of Radio Electronics magazine. The frequency...
This sophisticated circuit with a low, medium, and high treble filter is from 1990 documentation. The...
This circuit was obtained from a 1998s Popular Electronics. The magazine no longer exists, but the...