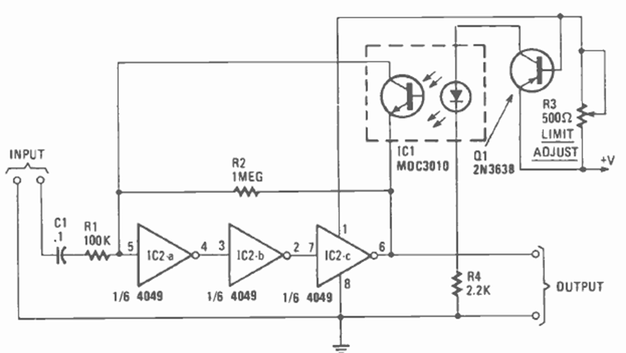
This circuit is a continuation of the previous one, serving as a protector against overloads in amplifiers. The circuit was published in an article in the magazine Radio Electronics in January 1985.
This circuit behaves like a capacitor whose value is C1 multiplied by the relationship between R1 and...
This circuit of an old 1968 magazine aims to synchronize a slide projector with a recording, but...
This switching power supply was found in an Electronic Design from the 90s. The components are...