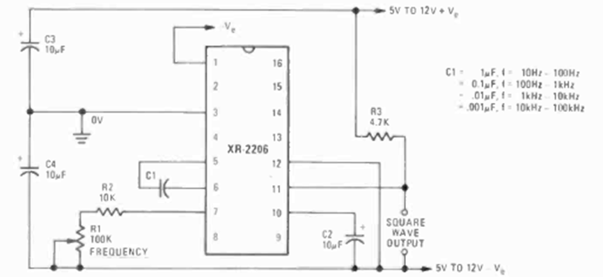
We found this circuit in the April 1977 issue of Radio Electronics magazine. The circuit generates square signals in the frequency range that depends on C1. The values are given next to the diagram.
We found this circuit in the April 1977 issue of Radio Electronics magazine. The circuit generates square signals in the frequency range that depends on C1. The values are given next to the diagram.