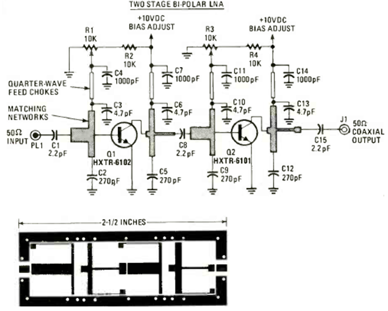
Used in satellite TV receptions in the 1980s, this circuit was found in the March 1980 issue of Radio Electronics magazine. Note the board layout.
This oscillator was found in the November 1986 issue of Radio Electronics magazine. The frequency...
This sophisticated circuit with a low, medium, and high treble filter is from 1990 documentation. The...
This circuit was obtained from a 1998s Popular Electronics. The magazine no longer exists, but the...