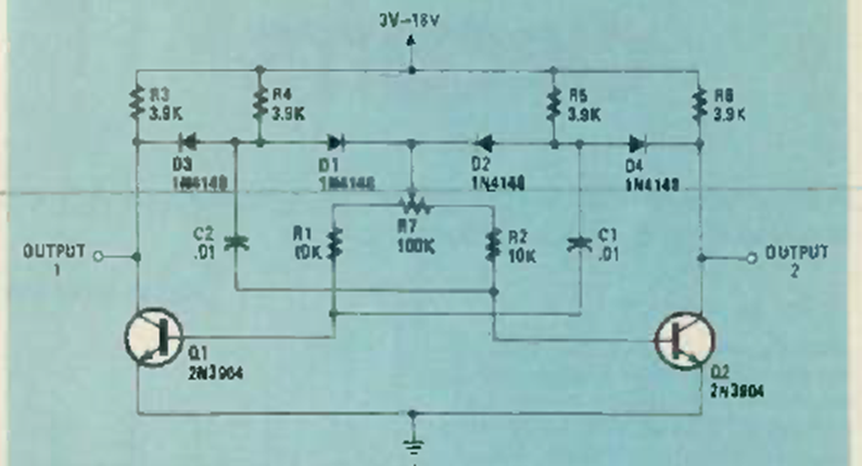
This circuit was found in the September 1984 issue of Radio Electronics magazine. The frequency is given by the capacitors. The diodes help in the starting process.
This one-digit counter is part f the samples bench of the MultiSIM in one of its versions. The...
The FAN1117A and FAN1117A-5 integrated circuits from Fairchild consist of fixed and adjustable...
This circuit was found in the February 1970 issue of Radio Electronics magazine. The integrated circuit...