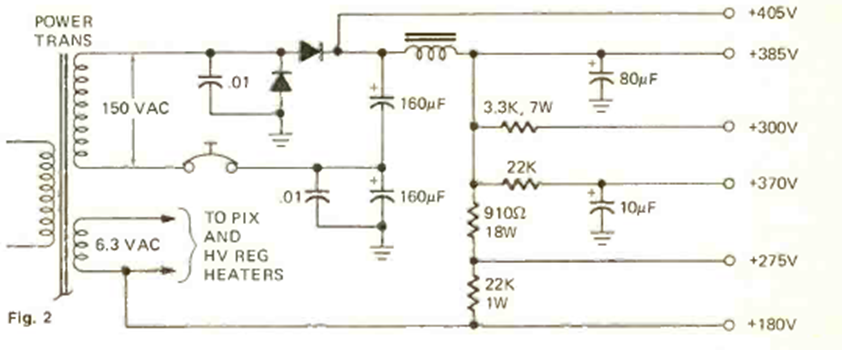
This power supply was featured in the December 1973 issue of Radio Electronics magazine. This type of circuit was used at the time to power tube televisions.
This circuit with an integrated circuit of the time was found in the magazine Radio Electronics of April...
This is a converter stage found in old transistor superheterodyne radios. The circuit is for...
In its original version of a 70s manual, this integrated amplifier, which is uncommon today, was...