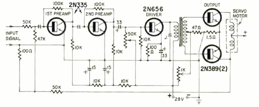
This circuit is from a Radio Electronics from July 1965. The circuit uses components from the time also controlling a servo from the time. The power supply is 28 V.
Found in American documentation from the 90's, this JFET stage has an input impedance of 500 M...
We found this circuit in a 1995 documentation. It can measure frequencies from 100 kHz to over 100 MHz...
This circuit was obtained in a documentation from the 70s. The operational amplifiers used are...