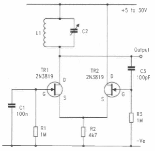
This LC oscillator was found in English documentation from the 1990s. JFETs may be general-purpose equivalents.
Static charges in objects Dan be detected by this sensitive electroscope. The meter indicates when the...
This simple field strength meter is from a transistor book from the 60's. The transistor is made...
The current drained by this circuit, from a 1976 documentation, is 3 mA and the cut-off frequency is...