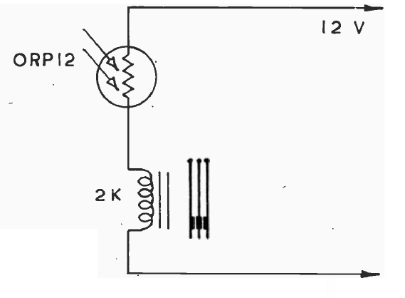
This circuit makes use of an ultrasensitive relay or reed-relay. LDR supports equivalent.
This circuit was obtained in a 1978 publication. The SCR may be the TIC106. What it does is act as a...
In the figure we have a high input impedance stage with a general purpose PNP transistor. An NPN transistor...
We found this circuit in a Popular Electronics of the 90s. The circuit can be easily mounted...