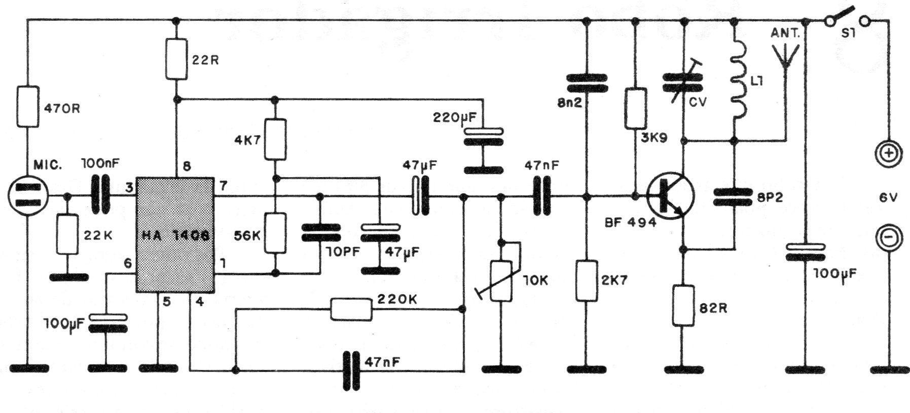
The integrated circuit used in this 1986 wireless microphone is not very common today. The L1 coil consists of 4 4wires of 26 or 28 thread in the form of 1 cm in diameter without core. In the original, a three-terminal electret microphone was used, but adaptations can be made to use a two-terminal microphone.




