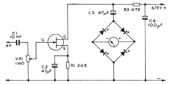
We found this circuit in an old English documentation. The JFET can be any general purpose and the instrument a 50 or 100 uA microammeter.

We found this circuit in an old English documentation. The JFET can be any general purpose and the instrument a 50 or 100 uA microammeter.
