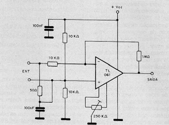
This circuit is an application for an operational amplifier with field effect transistors from Texas Instruments and is intended for amplifying low frequency signals (audio) with excellent performance. The 1M resistor along with the 10k input resistors determines the gain while the impedance is 50 ohms. The trimpot adjusts the symmetry of the signal, acting on the output off set voltage. Power can be supplied with voltages from 1.5 to 12 V.




