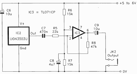
This Hall sensor circuit is intended to isolate an audio signal applied through a coil. The circuit is from the 1995 documentation. The Hall sensor is from that time.

This Hall sensor circuit is intended to isolate an audio signal applied through a coil. The circuit is from the 1995 documentation. The Hall sensor is from that time.
