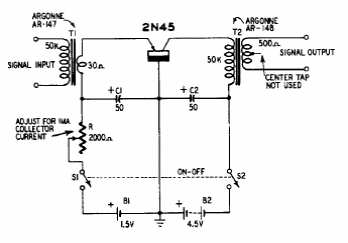
Found in an old American documentation, this step has as input and output transformers coupling. Two power sources are used.
This ultra-simple test circuit is of great use in any electronics bench. The power is supplied by a...
This circuit was found in an Electronics World magazine from 1990. The circuit can be mounted...
This Pierce oscillator was found in American documentation from the 1980s. Transistors support modern...