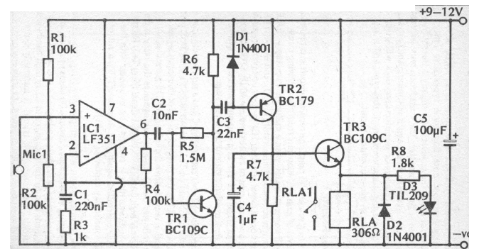
This is the receiver for the previous transmitter. The microphone is of the high impedance ultrasonic type. The circuit activates a relay. The operational amplifier supports equivalent.
This ultra-simple test circuit is of great use in any electronics bench. The power is supplied by a...
This circuit was found in an Electronics World magazine from 1990. The circuit can be mounted...
This Pierce oscillator was found in American documentation from the 1980s. Transistors support modern...