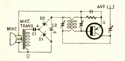
This interesting idea for those who live in noisy places is to power a radio through the sound captured by a microphone. The circuit appeared in Radio Electronics magazine in April 1963 in the Patents section.

This interesting idea for those who live in noisy places is to power a radio through the sound captured by a microphone. The circuit appeared in Radio Electronics magazine in April 1963 in the Patents section.
