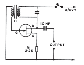
This code practice oscillator was found in an English publication from the 80's. The circuit can use any common JFET, and the transformer is a transistorized radio driver of the time.

This code practice oscillator was found in an English publication from the 80's. The circuit can use any common JFET, and the transformer is a transistorized radio driver of the time.
