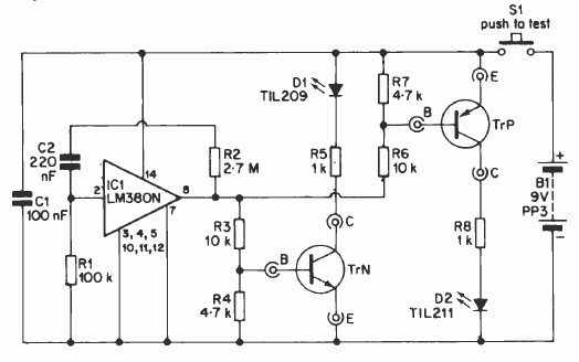
Found in 1990s documentation, this circuit tests both PNP and NPN transistors by providing status indication on LEDs. The base is the LM380.

Found in 1990s documentation, this circuit tests both PNP and NPN transistors by providing status indication on LEDs. The base is the LM380.
