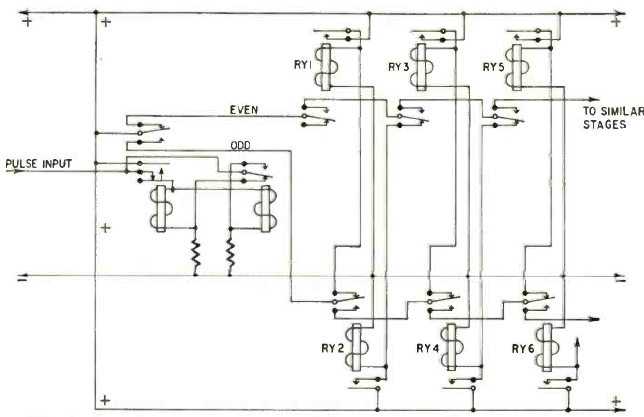
This interesting digital counter with relays with complementary outputs was found in the Radio Electronics magazine of October 1961. The supply voltage is in accordance with the relays used.
This circuit works with small 5 V incandescent lamps but can be modified to operate with LEDs. The...
This circuit found in Radio Electronics can be used in games to produce a random pulse train. The...
This photometer is based on a Wheatstone bridge that must be balanced by the linear potentiometer P1. The...