This low hysteresis circuit was obtained from old documentation. The circuit must be powered by a voltage of 5 V.
This circuit works with small 5 V incandescent lamps but can be modified to operate with LEDs. The...
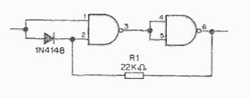
This circuit found in Radio Electronics can be used in games to produce a random pulse train. The...
This photometer is based on a Wheatstone bridge that must be balanced by the linear potentiometer P1. The...