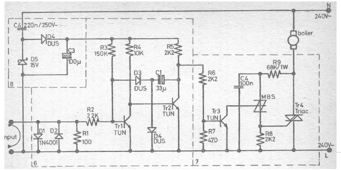
Found in an old English publication, this circuit applies to the 240 V network, but can be changed to lower voltages. Transistors are mostly general-purpose, admitting modern equivalents.
This circuit works with small 5 V incandescent lamps but can be modified to operate with LEDs. The...
This circuit found in Radio Electronics can be used in games to produce a random pulse train. The...
This photometer is based on a Wheatstone bridge that must be balanced by the linear potentiometer P1. The...