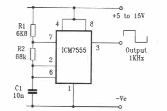
Using the ICM7555, CMOS version of the 555, this circuit produces a 1 kHz signal. The circuit has rectangular signals with good intensity.

Using the ICM7555, CMOS version of the 555, this circuit produces a 1 kHz signal. The circuit has rectangular signals with good intensity.
