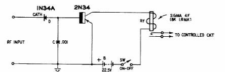
Found in an American publication from the 1960s, this circuit triggers with RF signals. The relay is according to the power supply. The circuit operates up to 40 MHz.

Found in an American publication from the 1960s, this circuit triggers with RF signals. The relay is according to the power supply. The circuit operates up to 40 MHz.
