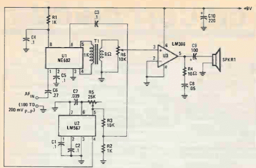
We found this circuit in a Popular Electronics from 1992. It consists of a voice scrambler used in telephone transmissions.
This circuit uses a crystal phone and can be built with more modern transistors like the BC548. The...
This circuit was obtained from an American publication of the 80's. The integrated circuit is of the...
We found this circuit in a 1995 documentation. It includes several important features for a test...