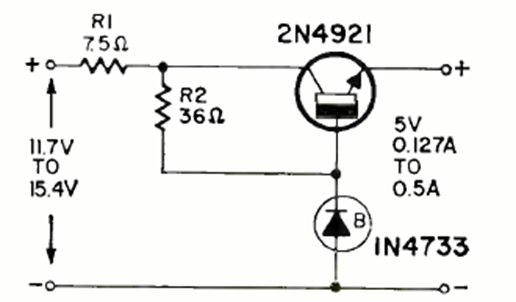
Found in an August 1969 Radio Electronics issue, this circuit steps down a high DC voltage to 5 V using a power transistor that must be fitted with a heat sink.

Found in an August 1969 Radio Electronics issue, this circuit steps down a high DC voltage to 5 V using a power transistor that must be fitted with a heat sink.
