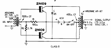
We found this circuit in an American publication from the 50s. The transistors are made of germanium and the power is low, less than 1 W.

We found this circuit in an American publication from the 50s. The transistors are made of germanium and the power is low, less than 1 W.
