We found this circuit in Popular Electronics from 1992. Transistors admit equivalents.
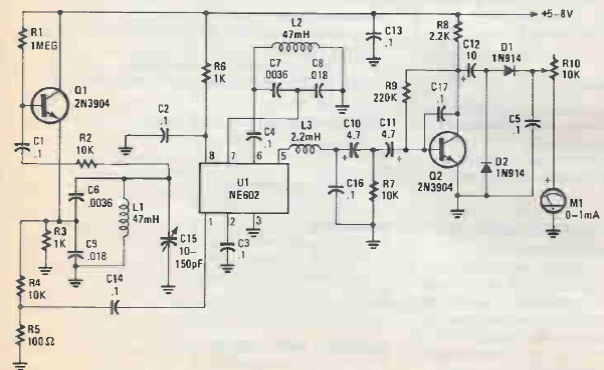
This circuit uses a pickup coil to take the signal from a telephone line without contacts. The circuit...
The transistor of this power source can be the TIP31 or TIP41 which must be equipped with a heat...
We found this circuit in Radio Electronics from the 1980s. The circuit uses an optical coupler with...