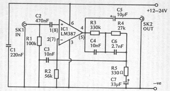
Found in English documentation from 1989, this circuit appears elsewhere on this site, taken from other sources. The circuit does not need a symmetric power source.

Found in English documentation from 1989, this circuit appears elsewhere on this site, taken from other sources. The circuit does not need a symmetric power source.
