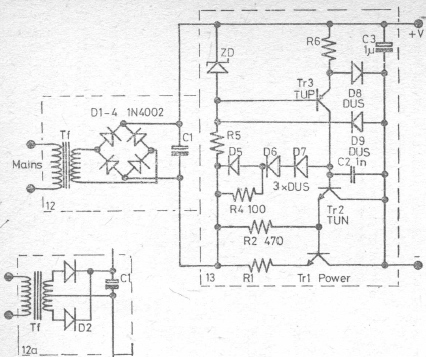
The output current of this power supply depends on the power transistor and the transformer and can reach 3 A. The circuit is from an English publication from the 80's. The power transistor can be the 2N3055.

The output current of this power supply depends on the power transistor and the transformer and can reach 3 A. The circuit is from an English publication from the 80's. The power transistor can be the 2N3055.
