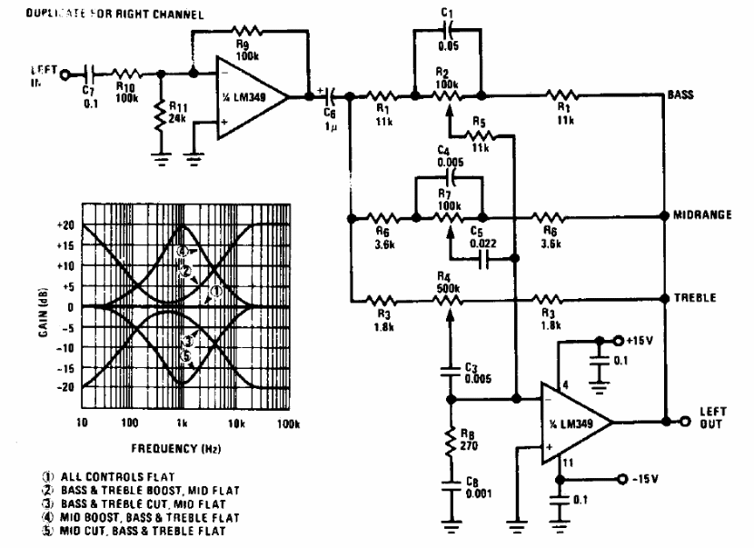
This tone control was obtained in the Audio Handbook of the National Semiconductor of 1977. The circuit controls the signals of medium frequencies in a wide dynamic range as shown in the diagram.
This is an old test circuit for integrated TTL counters, feeding a Nixie tube, common at the time....
This traditional crystal radio circuit, but which has a modern version with diode, was found in an...
This headphone amplifier using a pickup coil can be used as an extension for devices such as TVs,...