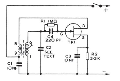
This variable high frequency oscillator circuit was found in an old English documentation. The JFET can be of any general-purpose type.

This variable high frequency oscillator circuit was found in an old English documentation. The JFET can be of any general-purpose type.
