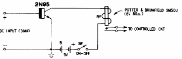
Found in an American publication from the 1960s, this circuit uses a power transistor to drive a low-sensitivity, high-current contact relay.

Found in an American publication from the 1960s, this circuit uses a power transistor to drive a low-sensitivity, high-current contact relay.
